1 / 69

Chapter 4 AC-to-DC Converters

This chapter delves into the operation and applications of three-phase diode rectifiers, emphasizing three-pulse, six-pulse, and twelve-pulse configurations. It covers current paths, voltage distributions, and the characteristics of waveforms associated with various rectifier modes, including continuous and discontinuous conduction. Additionally, it presents insights into phase-controlled rectifiers and their performance under different conditions. Readers will gain a comprehensive understanding of the functioning, advantages, and potential challenges of these rectifiers within modern power electronics systems.

Télécharger la présentation

Chapter 4 AC-to-DC Converters

An Image/Link below is provided (as is) to download presentation Download Policy: Content on the Website is provided to you AS IS for your information and personal use and may not be sold / licensed / shared on other websites without getting consent from its author. Content is provided to you AS IS for your information and personal use only. Download presentation by click this link. While downloading, if for some reason you are not able to download a presentation, the publisher may have deleted the file from their server. During download, if you can't get a presentation, the file might be deleted by the publisher.

E N D

Presentation Transcript


  1. Chapter 4AC-to-DC Converters “Introduction to Modern Power Electronics”, 2nd Ed., John Wiley 2010 by Andrzej M. Trzynadlowski

  2. Three-pulse diode rectifier Fig. 4.1 Chapter 4

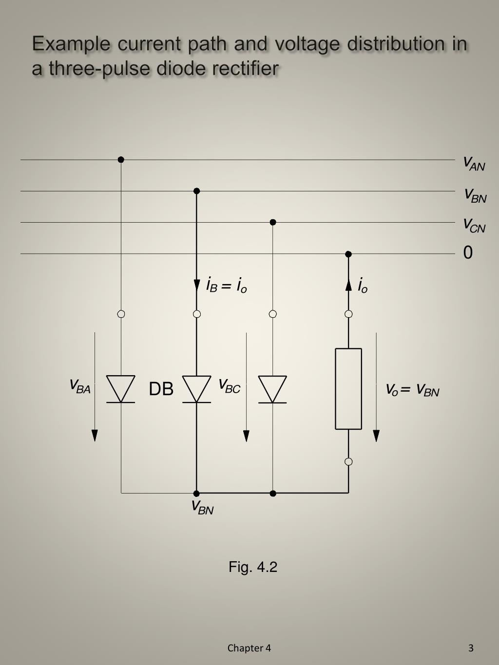
  3. Example current path and voltage distribution in a three-pulse diode rectifier Fig. 4.2 Chapter 4

  4. Waveforms of output voltage and current in a three-pulse diode rectifier (R load) Fig. 4.3 Chapter 4

  5. Waveform of input current in a three-pulse diode rectifier (R load) Fig. 4.4 Chapter 4

  6. Six-pulse diode rectifier Fig. 4.5 Chapter 4

  7. Example current path and voltage distribution in a six-pulse diode rectifier Fig. 4.6 Chapter 4

  8. Phasor diagram of voltages in a three-phase ac line, and the conduction area Fig. 4.7 Chapter 4

  9. Waveforms of output voltage and current in a six-pulse diode rectifier in the continuous conduction mode (RLE load) Fig. 4.8 Chapter 4

  10. Twelve-pulse diode rectifier Fig. 4.9 Chapter 4

  11. Areas of conduction modes of a six-pulse diode rectifier Fig. 4.10 Chapter 4

  12. Waveforms of output voltage and current in a six-pulse diode rectifier in the discontinuous conduction mode (RLE load) Fig. 4.11 Chapter 4

  13. Waveform of input current in a six-pulse diode rectifier (assuming an ideal dc output current) Fig. 4.12 Chapter 4

  14. Spectrum of input current in a six-pulse diode rectifier Fig. 4.13 Chapter 4

  15. Input filter (harmonic trap) for a three-phase rectifier Fig. 4.14 Chapter 4

  16. Phase-controlled (SCR) six-pulse rectifier Fig. 4.15 Chapter 4

  17. Firing pulses in a phase-controlled six-pulse rectifier Fig. 4.16 Chapter 4

  18. Waveforms of output voltage and current in a phase-controlled six-pulse rectifier in the continuous conduction mode (, RLE load) Fig. 4.17 Chapter 4

  19. Control characteristic of a phase-controlled six-pulse rectifier in the continuous conduction mode Fig. 4.18 Chapter 4

  20. Rectifier in the inverter mode Fig. 4.19 Chapter 4

  21. Waveforms of output voltage and current in a phase-controlled six-pulse rectifier in the continuous conduction mode Fig. 4.20 Chapter 4

  22. Area of feasible firing angles Fig. 4.21 Chapter 4

  23. Conduction mode areas of a phase-controlled six-pulse rectifier Fig. 4.22 Chapter 4

  24. Waveforms of output voltage and current in a phase-controlled six-pulse rectifier in the discontinuous conduction mode: (a) rectifier operation(b) inverter operation Fig. 4.23 Chapter 4

  25. Waveform of input current in a phase-controlled six-pulse rectifier (ideal dc output current assumed) Fig. 4.24 Chapter 4

  26. Equivalent circuit of a phase-controlled six-pulse rectifier supplied from a practical dc voltage source Fig. 4.25 Chapter 4

  27. Waveforms of voltage and current in a phase-controlled six-pulse rectifier during commutation Fig. 4.26 Chapter 4

  28. Waveforms of output voltage and current in a phase-controlled six-pulse rectifier supplied from a source with inductance: (a) rectifier mode, (b) inverter mode Fig. 4.27 Chapter 4

  29. Notched waveform of input voltage in a phase-controlled six-pulse rectifier supplied from a source with inductance Fig. 4.28 Chapter 4

  30. Plane of operation, operating area, and operating quadrants of a rectifier Fig. 4.29 Chapter 4

  31. Controlled rectifier with a cross-switch Fig. 4.30 Chapter 4

  32. Antiparallel connection of two controlled rectifiers Fig. 4.31 Chapter 4

  33. Six-pulse circulating current-free dual converter Fig. 4.32 Chapter 4

  34. Six-pulse circulating current-conducting dual converter supplied from two separate ac sources Fig. 4.33 Chapter 4

  35. Waveforms of output voltages of constituent rectifiers of a circulating current-conducting dual converter (, ) Fig. 4.34 Chapter 4

  36. Waveforms of differential output voltage and circulating current in a circulating current-conducting dual converter () Fig. 4.35 Chapter 4

  37. Waveforms of differential output voltage and circulating current in a circulating current-conducting dual converter () Fig. 4.36 Chapter 4

  38. Six-pulse circulating current-conducting dual converter supplied from a single ac source Fig. 4.37 Chapter 4

  39. Single-phase PWM rectifier with an LC input filter Fig. 4.38 Chapter 4

  40. Switching pattern of a hypothetical four-state PWM converter Fig. 4.39 Chapter 4

  41. Stator of a three-phase electric ac machine Fig. 4.40 Chapter 4

  42. Generation of a space vector of the stator MMFs in a three-phase electric ac machine: (a) phasor diagram of stator currents, (b) vectors of MMFs Fig. 4.41 Chapter 4

  43. Space vector of stator MMFs and its components Fig. 4.42 Chapter 4

  44. Synthesis of a rotating space vector from stationary vectors and Fig. 4.43 Chapter 4

  45. Voltage space vector in the stationary and rotating reference frames Fig. 4.44 Chapter 4

  46. Current-type PWM rectifier Fig. 4.45 Chapter 4

  47. Reference current vector in the vector space of input currents of a current-type PWM rectifier Fig. 4.46 Chapter 4

  48. Example waveforms of switching variables in one switching cycle of a current-type PWM rectifier Fig. 4.47 Chapter 4

  49. Control scheme of a current-type PWM rectifier Fig. 4.48 Chapter 4

  50. Waveforms of output voltage and current in a current-type PWM rectifier: (a) m = 0.75, (b) m = 0.35 (fsw/fo = 24, RLE load) Fig. 4.49 Chapter 4

More Related