colin-neal
Uploaded by
15 SLIDES
275 VUES
150LIKES

5.7 ※ 调频系统中的特殊电路

DESCRIPTION

5.7 ※ 调频系统中的特殊电路. 一个完整的调频收发信机,除了放大器、混频器和频率调制、解调器之外,还有许多附属电路和特殊电路。如话音加工电路(话筒到调制器输入端和解调器输出端到耳机的整个低频电路)就有瞬时频偏控制电路、带通与低通滤波器电路、预加重与去加重电路、静噪电路、限幅器等。. 式中. 为接收机输入端的信噪比,. 和. 分别表示信. 一.瞬时频偏控制电路. 可以证明,在给定信道带宽的条件下,对于单音调频波(假设干扰也是单音信号)解调输出电压的信噪比为. 号和干扰电压的幅值。. 显然,调频指数. 越大,频偏越大,系统的抗干扰. 还与用户的话音幅度成正比。而.

1 / 15

Télécharger la présentation

5.7 ※ 调频系统中的特殊电路

An Image/Link below is provided (as is) to download presentation Download Policy: Content on the Website is provided to you AS IS for your information and personal use and may not be sold / licensed / shared on other websites without getting consent from its author. Content is provided to you AS IS for your information and personal use only. Download presentation by click this link. While downloading, if for some reason you are not able to download a presentation, the publisher may have deleted the file from their server. During download, if you can't get a presentation, the file might be deleted by the publisher.

E N D

Presentation Transcript

Playing audio...

  1. 5.7※调频系统中的特殊电路 一个完整的调频收发信机,除了放大器、混频器和频率调制、解调器之外,还有许多附属电路和特殊电路。如话音加工电路(话筒到调制器输入端和解调器输出端到耳机的整个低频电路)就有瞬时频偏控制电路、带通与低通滤波器电路、预加重与去加重电路、静噪电路、限幅器等。

  2. 式中 为接收机输入端的信噪比, 和 分别表示信 一.瞬时频偏控制电路 可以证明,在给定信道带宽的条件下,对于单音调频波(假设干扰也是单音信号)解调输出电压的信噪比为 号和干扰电压的幅值。

  3. 显然,调频指数 越大,频偏越大,系统的抗干扰 还与用户的话音幅度成正比。而 能力越强。因此,调频系统中调频指数应选得稍大一些。但在实际中, 越大,调频波的边频分量就越丰富,落入相邻信 道的频率成分也就越多,造成的邻道干扰就越大。为此,通常在语音加工电路中用瞬时频偏控制电路(IDC,Instantaneous Deviation Control)来限定用户的最高话音幅度。

  4. 瞬时频偏控制电路的实质是限幅器,但与鉴频器之前的限幅器(带通限幅器=双向限幅器+带通滤波瞬时频偏控制电路的实质是限幅器,但与鉴频器之前的限幅器(带通限幅器=双向限幅器+带通滤波 器)不同,IDC电路是一个低通限幅器,就是在限幅器后加上阻带特性极陡峭的低通滤波器,以抑制限幅器后产生的高频分量。因此,此滤波器也称为邻道抑制滤波器。

  5. 图5.7.1 鉴频器输出噪声频谱 二、预加重与去加重电路 由于调频信号在解调前必须先通过接收机前端的带通滤波器,如果接收机前端输入的是白噪声。由于白噪声的功率谱密度均匀分布,可以证明,白噪声通过滤波器后鉴频器的输出噪声会随调制信号频率的升高而增加,即鉴频器输出端噪声电压频谱呈三角形(噪声功率谱成抛物线形)如图5.7.1所示。 但对信号来说,诸如话音、音乐等,其信号能量不是均匀地分布,而是在较低的频率范围内集中了大部分能量,高频部分能量较少。即它们的能量都集中在低频端,这恰好与调频噪声相反。这样会导致调制频率的高频端信噪比会明显下降。

  6. 预加重:在发射端利用预加重网络对调制信号 为了改善输出端的信噪比,针对调频制的特点,在调频制信号的传输中广泛采用预加重与去加重技术。 频谱中高频成分的振幅进行人为提升。这就使鉴频器输入端高调制频率上的信噪比得到了提高,也就明显地改善了鉴频器在高调制频率上输出的信噪比,使调频制在整个频带内都可以获得较高的输出信噪比。

  7. 图5.3.10 变容二极管晶体直接调频振荡电路 图中T1为音频放大器,话音信号经1000pF电容耦合输入,并与放大器的输入阻抗构成了高通滤波,称之为预加重电路,提升高音频信号的传输。在调频波解调电路中再用同样时间常数的去加重电路(低通)恢复音频。在调频系统中采用预加重和去加重的目的是为了抑制高音频噪声分量,提高信噪比。

  8. 去加重:在接收端利用去加重网络,把调制信号高频端人为提升的信号振幅降下来,使调制信号中高、低频端的各频率分量的振幅保持原来的比例关系,避免了因发送端采用加重网络而造成的解调信号失真。去加重:在接收端利用去加重网络,把调制信号高频端人为提升的信号振幅降下来,使调制信号中高、低频端的各频率分量的振幅保持原来的比例关系,避免了因发送端采用加重网络而造成的解调信号失真。 1.预加重网络 通常要求预加重网络的传递函数具有:在低频端为常数而在高频端相当于微分器。 近似这种响应的RC网络如图5.7.2(a)所示,它是典型的预加重网络。图5.7.2(b)是网络频率响应的渐近线。

  9. 图5.7.2 预加重网络及其频率特性 图中 对于调频广播发射机中预加重网络的参数 、 、 的选择,常使 =2.1kHz,即在2.1kHz以上的频率分量都被“加重”。 选择在所要传输的最高音频处,对于高质量的接收, =15kHz。此时CR1的值为75μs

  10. 图5.7.3 去加重网络及其频响曲线 去加重网络及其频响曲线如图5.7.3。从图看出,当 时,预加重和去加重网络总的频率传递函数近似 为一常数,这正是使信号不失真所需要的条件。由图可见,去加重网络相当于积分电路。去加重网络参数R、C的选择应使 =2.1kHz, =15kHz,此时 的值为75μs。 2.去加重网络 为了克服预加重网络带来的调制信号频率高频端的失真,去加重网络应具有与预加重网络相反的频率特性。

  11. 预加重与去加重网络的频响函数的乘积应为一常数,这是保证在调频信号的传输中,调制信号经过调制器的预加重和解调器的去加重后,鉴频器还原的原调制信号不失真的必要条件。预加重与去加重网络的频响函数的乘积应为一常数,这是保证在调频信号的传输中,调制信号经过调制器的预加重和解调器的去加重后,鉴频器还原的原调制信号不失真的必要条件。 5.7

  12. 调频制系统中,在相同输入信噪比的情况下,随着调制指数( )的增加,输出信噪比增加,系统的抗干 扰能力增强。然而,由于调频系统的门限效应,输入信噪比要在门限电平(信噪比)之上。这一结论才成立。 门限效应是指在同样的输入信噪比的条件下,当输入信噪比在门限电平(信噪比)之上时,FM接收机的输出信噪比比AM接收机的高。否则,FM系统的性能不仅不比AM系统的性能好,而且还比AM系统更差。如图5.7.4所示。当输入信噪比低于门限电平时,鉴频器的输出信噪比将急剧恶化,有用信号甚至会完全淹没在噪声中,无法进行调频信号的接收。 三、静噪电路 5.7

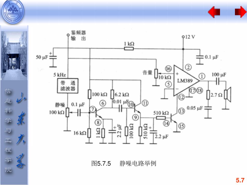
  13. 图5.7.4 门限效应示意图 静噪电路的目的是使接收机在没有收到信号时(此时噪声较大),自动将低频放大器闭锁,使噪声不在终端出现。当有信号时,噪声小,又能自动解除闭锁,使信号通过低放输出。 静噪的方式和电路是多种 多样的,常用静噪电路去控制调频接收机鉴频后的低频放大器。在需要静噪时,可利用鉴频器输出噪声大的特点去控制低频放大器,使其停止工作,以达到静噪的目的,如图5.7.5所示。 5.7

  14. 图5.7.5 静噪电路举例 5.7

  15. 图5.7.6 静噪电路的两种接入方式 静噪电路与鉴频器的连接有两种方式:一种是接在鉴频器的输入端如图5.7.6(a),另一种是接在鉴频器的输出端图5.7.6(b)另外还有导频型和静噪门型,这里不再介绍。 5.7

More Related