linus
Uploaded by
24 SLIDES
413 VUES
240LIKES

Mikroprotsessorid

DESCRIPTION

Mikroprotsessorid. SERIAL PROTOKOLLID. Miks Serial on parem kui parallel ?. Vähem ühendustraate, lihtsamad skeemid Traatidevaheline ülekostvus Mahtuvus väiksem Protokoll keerulisem. LAN WiFi Firewire USB. Mõisted. Duplex – full, half Sünkroonne – asünkroonne Signaali nivood

1 / 24

Télécharger la présentation

Mikroprotsessorid

An Image/Link below is provided (as is) to download presentation Download Policy: Content on the Website is provided to you AS IS for your information and personal use and may not be sold / licensed / shared on other websites without getting consent from its author. Content is provided to you AS IS for your information and personal use only. Download presentation by click this link. While downloading, if for some reason you are not able to download a presentation, the publisher may have deleted the file from their server. During download, if you can't get a presentation, the file might be deleted by the publisher.

E N D

Presentation Transcript


  1. Mikroprotsessorid SERIAL PROTOKOLLID

  2. Miks Serial on parem kui parallel ? Vähem ühendustraate, lihtsamad skeemid Traatidevaheline ülekostvus Mahtuvus väiksem Protokoll keerulisem LAN WiFi Firewire USB

  3. Mõisted • Duplex – full, half • Sünkroonne – asünkroonne • Signaali nivood • Start- ja Stop bitid • Master ja Slave • Adresseerimine

  4. RS-232 Pingenivood +15V 0 (space) +3V 0V -3V 1 (mark) -15V

  5. RS-232 Asünkroonne PARITY START STOP 0 1 0 0 1 0 1 0 Algul on signaal 1 Start – bitt on 0 Poole Start – biti ajal on alguspunkt Iga “Baud Rate”ga määratud aja järel loetakse biti väärtus Parity – bitt Stop - bitt

  6. RS-232 Asünkroonne PARITY START STOP

  7. RS-232 signaalid DataTerminalEquipment(arvuti) DataCommunicationsEquipment(modem) RTS/CTS handshaking

  8. Serial Peripheral Interface Bus - SPI SOSISCLSS SISOSCLSS Master Slave SISOSCLSS Slave SISOSCLSS Slave

  9. Serial Peripheral Interface Bus - SPI SOSISCLSS SISOSCLSS Master Slave SISOSCLSS Slave SISOSCLSS Slave

  10. Serial Peripheral Interface Bus - SPI Single Slave SOSISCLSS SISOSCLSS Master Slave

  11. Serial Peripheral Interface Bus - SPI Shift register Shift register Data Reg Data Reg ClockGenerator SS Master Slave

  12. Serial Peripheral Interface Bus - SPI SCK SS SD Pordi seis loetakse SCK tõusva frondi ajal Andmeid muudetakse SCK langeva frondi ajal

  13. Clock Polarity Clock Phase CPOL=0 CPOL=1

  14. Inter-Integrated Circuit – I2C Open Drain – Avatud kollektor Data In Data Out Clk In Clk Out

  15. Inter-Integrated Circuit – I2C VDD Open Drain – Avatud kollektor SDA SCL Data In Data In Data In Data Out Data Out Data Out Clk In Clk In Clk In Clk Out Clk Out Clk Out

  16. I2C START 1 0 0 1 STOP SDx SCL 1 2 3 4 4 3 5 • SCL=1, SD muutub 1->0 ... START • SCL=0, SD muutub • SCL=1, SD=1 ..................... 1 • SCL=1, SD=0 ..................... 0 • SCL=1, SD muutub 0->1 .... STOP

  17. I2C 1 2 3 4 5 6 7 SDA Aadress 7 bitti R/W 1 bit Data 8 bitti ACK ACK SCL • START bitt – SCL:1, SDA muutub 1 -> 0 • Aadress 7 bitti • R/W – aadressi baidi viimane bitt • Master annab liini vabaks, adresseeritav vastuvõtja surub liini nulli – s.t. sain aru, ACK • Andmed – 8 bitti • Master annab liini vabaks, adresseeritav vastuvõtja surub liini nulli – s.t. sain aru, ACK • STOP bitt – SCL:1, SDA muutub 0 -> 1

  18. I2C 1 2 3 4 5 6 7 SDA Aadress 7 bitti R/W 1 bit Data 8 bitti ACK ACK SCL • Andmebaite võib olla järjest rohkem kui üks • Põhimõtteliselt võib iga seade hakata Masteriks • Kui mitu seadet tahavad korraga hakata Masteriks, siis on olemas vastav hääletamise protokoll • Aadress = 00: Master saab saata teadet korraga kõigile Slave-dele • Master võib teate katkestada ja alustada uut, andes uue START-biti • Slave võib clocki (SCL) nulli tõmmata ning niiviisi andmevahetust pidurdada • Vastuvõtja võib ACK ajal anda 1 ja teatada et ei saanud kätte

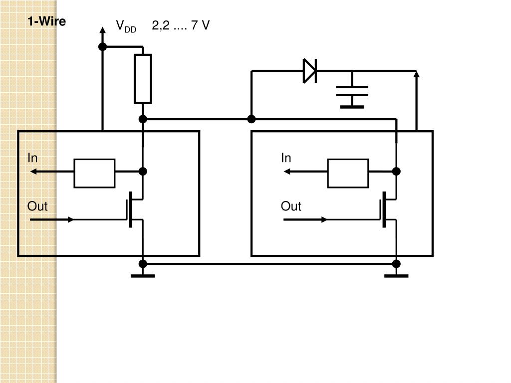
  19. 1-Wire VDD VDD In In Out Out Open Drain – Avatud kollektor

  20. 1-Wire VDD 2,2 .... 7 V In In Out Out

  21. 1-Wire 15-60 μs Master Slave Reset 480 μs 60-240 μs Data Data=0 Data=1 Sync Sync

  22. 1-Wire >1 μs 60-120 μs Master kirjutab <15 μs 60-120 μs 0 1

  23. 1-Wire Master Slave Slave kirjutab t (μs) 0 15 30 60 0 15 30 60 0 1

  24. Võrdlus C – peaasi et mahtuvus liiga suureks ei läheks

More Related