elvin
Uploaded by
13 SLIDES
473 VUES
130LIKES

אוגרים ומונים – Registers & Counters

DESCRIPTION

אוגרים ומונים – Registers & Counters. יחידות סטנדרטיות המשמשות לאגירת נתונים בעזרת FF . מחזיקות את המשתנים אשר צריכים להיות זמינים (לולאות  משתנה לולאה) מאפשרים "מבחר" פעולות: הזזות "ימינה" "שמאלה" "מעגליות" טעינה פשוטה ומהירה מנייה "מעלה" "מטה" משמשים ברכיבים המהירים ביותר

1 / 13

Télécharger la présentation

אוגרים ומונים – Registers & Counters

An Image/Link below is provided (as is) to download presentation Download Policy: Content on the Website is provided to you AS IS for your information and personal use and may not be sold / licensed / shared on other websites without getting consent from its author. Content is provided to you AS IS for your information and personal use only. Download presentation by click this link. While downloading, if for some reason you are not able to download a presentation, the publisher may have deleted the file from their server. During download, if you can't get a presentation, the file might be deleted by the publisher.

E N D

Presentation Transcript

Playing audio...

  1. אוגרים ומונים – Registers & Counters • יחידות סטנדרטיות המשמשות לאגירת נתונים בעזרת FF. • מחזיקות את המשתנים אשר צריכים להיות זמינים • (לולאות משתנה לולאה) • מאפשרים "מבחר" פעולות: • הזזות "ימינה" "שמאלה" "מעגליות" • טעינה פשוטה ומהירה • מנייה "מעלה" "מטה" • משמשים ברכיבים המהירים ביותר • אבן היסוד של CPU • אוגרים ל-Integers ובדר"כ אוגרים נוספים ל- Floating Point ALU CU Arithmetic Logic Unit Control Unit

  2. אוגר 4-bit עם טעינה מקבילית • שעון משותף • דורש טעינה כל פעם שהשעון

  3. מימוש בעזרת SRFF LOAD = 0 אין שינוי ערך LOAD = 1 CLEAR איפוס אסינכרוני אוגר 4-bit עם טעינה מקבילית ועם בקרה

  4. טעינה מקבילית עם בקרה -מימוש בעזרתDFF • כאשר Load = 0 כניסות DFFs מקבלות את היציאות והערך הקודם נשאר

  5. מימוש לוגיקה סדרתית ע"י אוגרים CP ערך המצב הבא יציאות מעגל צירופי כניסות load = 1 clear = 1 • האוגר משמש כ"זוכר מצב" • המעגל הצירופי יכול להיות ממומש ע"י: • לוגיקה בדידה • רכיבים סטנדרטיים Select, Mux • יחידות זיכרון (ROM) • LOAD ו- CLEAR קבועים כך שאין השפעה חיצונית על האוגר

  6. דוגמא: • שני משתני מצב B, A • משתנה כניסה X. • משתנה יציאה Y. טבלת המצבים

  7. מימוש ע"י אוגר ושערים לוגים A D1 B D2 D3 לא בשימוש Y D4 L=1 C=1 X

  8. אוגרי הזזה - Shift Registers • n ביטים – n יחידות של FF יציאה טורית כניסה טורית MSB LSB הזזה שמאלה SerialOutput (SO) SerialInput (SI) MSB LSB הזזה ימינה (defaults: 0 – pos 1 – neg ) יציאה טורית כניסה טורית MSB LSB הזזה מעגליתשמאלה MSB LSB הזזה מעגליתימינה • שימושים: • כפלים/חילוקים פשוטים • קודים (לינאריים) לתיקון שגיאות • הצפנות...

  9. אוגרי הזזה - מימוש פשוט SO SI D Q D Q D Q D Q CP אוגר הזזה 4 ביטים אוגרי הזזה - העברה טורית • חיבור ה – SI של אוגר "מקבל" אל ה – SO של אוגר "מוסר". • דורש פעימות שעון כאורך האוגרים. שעון cp SO SI SO(B) אוגר הזזה A אוגר הזזה B CPI CPI בקרת הזזה Shift Control Word Time זמן מילה CPI T1 T2 T3 T4 A: B: SO(B):

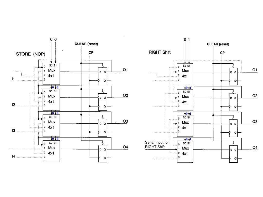
  10. Serial Shift Register with Parallel Load

  11. 0 0 0 1 0 0 0 1 0 0 0 1 Serial Input forRIGHT Shift

  12. Serial Input for LEFT Shift 1 1 1 0 1 1 1 0 1 1 1 0

  13. חיבור טורי ע"י אוגרי הזזה הזז מינה SO SI SR-A FA X S OP CP cp Y כניסה חיצונית Z C SI SR-B OP SO D FF Q cp אוגר הזזה - טעינה/בקרה clear • זמן החיבור כאורך האוגרים (1+). • DFF : שומר על ה Carry מהדרגה הקודמת • יש לאפס את DFF לפני תחילת החיבור הראשון • חיסכון בחומרה • האטה לעומת חיבור מקבילי • אות הבקרה צריך להיות "1" כל משך החיבור

More Related