rob
Uploaded by
41 SLIDES
855 VUES
450LIKES

Chapter 8 Switching Power Supplies

DESCRIPTION

Chapter 8 Switching Power Supplies. “Introduction to Modern Power Electronics”, 2 nd Ed., John Wiley 2010 by Andrzej M. Trzynadlowski. Buck converter. Fig. 8.1. Voltage and current waveforms in a buck converter. Fig. 8.2.

1 / 41

Télécharger la présentation

Chapter 8 Switching Power Supplies

An Image/Link below is provided (as is) to download presentation Download Policy: Content on the Website is provided to you AS IS for your information and personal use and may not be sold / licensed / shared on other websites without getting consent from its author. Content is provided to you AS IS for your information and personal use only. Download presentation by click this link. While downloading, if for some reason you are not able to download a presentation, the publisher may have deleted the file from their server. During download, if you can't get a presentation, the file might be deleted by the publisher.

E N D

Presentation Transcript


  1. Chapter 8Switching Power Supplies “Introduction to Modern Power Electronics”, 2nd Ed., John Wiley 2010 by Andrzej M. Trzynadlowski

  2. Buck converter Fig. 8.1 Chapter 8

  3. Voltage and current waveforms in a buck converter Fig. 8.2 Chapter 8

  4. Waveforms of the capacitor current and output voltage in a buck converter Fig. 8.3 Chapter 8

  5. Boost converter Fig. 8.4 Chapter 8

  6. Voltage and current waveforms in a boost converter Fig. 8.5 Chapter 8

  7. Waveforms of the capacitor current and output voltage in a boost converter Fig. 8.6 Chapter 8

  8. Impact of the inductor resistance on the voltage gain of a boost converter Fig. 8.7 Chapter 8

  9. Buck-boost converter Fig. 8.8 Chapter 8

  10. Voltage and current waveforms in a buck-boost converter Fig. 8.9 Chapter 8

  11. uk converter Fig. 8.10 Chapter 8

  12. Waveforms of voltage and current in a ukconverter Fig. 8.11 Chapter 8

  13. SEPIC (a) and Zeta (b) converters Fig. 8.12 Chapter 8

  14. Voltage and current waveforms in SEPIC and Zeta converters Fig. 8.13 Chapter 8

  15. Voltage and current waveforms in SEPIC and Zeta converters Fig. 8.13 Chapter 8

  16. Vorperian’s switch model Fig. 8.14 Chapter 8

  17. Averaged models of switched-mode dc-to-dc converters with Vorperian’s switch model: (a) buck, (b) boost, (c) buck-boost, (d) uk Fig. 8.15 Chapter 8

  18. Waveforms of the output voltage and current in a buck converter: solid lines – actual converter, dashed lines – averaged model Fig. 8.16 Chapter 8

  19. Equivalent circuits of a transformer: (a) ideal transformer, (b) transformer with the magnetizing inductance included Fig. 8.17 Chapter 8

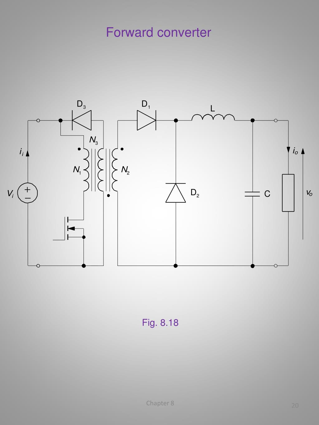
  20. Forward converter Fig. 8.18 Chapter 8

  21. Flyback converter Fig. 8.19 Chapter 8

  22. Isolated uk converter Fig. 8.20 Chapter 8

  23. Midpoint rectifier Fig. 8.21 Chapter 8

  24. Push-pull converter Fig. 8.22 Chapter 8

  25. Half-bridge converter Fig. 8.23 Chapter 8

  26. Full-bridge converter Fig. 8.24 Chapter 8

  27. Voltage-mode resonant switches: (a) L-type half-wave, (b) M-type half-wave, (c) L-type full-wave, (d) M-type full-wave Fig. 8.25 Chapter 8

  28. Current-mode resonant switches: (a) L-type half-wave, (b) M-type half-wave, (c) L-type full-wave, (d) M-type full-wave Fig. 8.26 Chapter 8

  29. Waveforms of the inductor current and capacitor voltage in an undamped resonant circuit Fig. 8.27 Chapter 8

  30. Quasi-resonant ZVS buck converter with L-type half-wave switch Fig. 8.28 Chapter 8

  31. Quasi-resonant ZCS boost converter with M-type full-wave switch Fig. 8.29 Chapter 8

  32. Chapter 8

  33. Series-loaded resonant converter Fig. 8.30 Chapter 8

  34. AC equivalent circuit of the series-loaded resonant converter Fig. 8.31 Chapter 8

  35. Control characteristic of the series-loaded resonant converter Fig. 8.32 Chapter 8

  36. Parallel-loaded resonant converter Fig. 8.33 Chapter 8

  37. AC equivalent circuit of the parallel-loaded resonant converter Fig. 8.34 Chapter 8

  38. Control characteristic of the parallel-loaded resonant converter Fig. 8.35 Chapter 8

  39. Series-parallel resonant converter Fig. 8.36 Chapter 8

  40. Control characteristic of the series-parallel resonant converter Fig. 8.37 Chapter 8

  41. Quasi-resonant ZCS buck converter with an L-type full-wave switch Fig. 8.38 Chapter 8

More Related