1 / 34

CS/EE 3700 : Fundamentals of Digital System Design

CS/EE 3700 : Fundamentals of Digital System Design. Chris J. Myers Lecture 11: Testing of Logic Circuits Chapter 11. Testing of Logic Circuits. Must test a circuit to check that it meets required functional and timing specification. Manufacturing process can introduce flaws.

veta
Télécharger la présentation

CS/EE 3700 : Fundamentals of Digital System Design

An Image/Link below is provided (as is) to download presentation Download Policy: Content on the Website is provided to you AS IS for your information and personal use and may not be sold / licensed / shared on other websites without getting consent from its author. Content is provided to you AS IS for your information and personal use only. Download presentation by click this link. While downloading, if for some reason you are not able to download a presentation, the publisher may have deleted the file from their server. During download, if you can't get a presentation, the file might be deleted by the publisher.

E N D

Presentation Transcript


  1. CS/EE 3700 : Fundamentals of Digital System Design Chris J. Myers Lecture 11: Testing of Logic Circuits Chapter 11

  2. Testing of Logic Circuits • Must test a circuit to check that it meets required functional and timing specification. • Manufacturing process can introduce flaws. • Testing applies a set of inputs, called tests, and compare with expected outputs. • Challenge is to derive a small set of tests. • Exhaustive approach is impractical.

  3. Faults • Many things can go wrong: • Transistor may be stuck open or closed. • Wire can be shorted to Vdd or Gnd. • Wire may simply be broken. • Two wires may get shorted together. • Logic gate may produce the wrong output.

  4. Stuck-At Model • Stuck-at model assumes a fault manifests as some wire stuck at a logic value of 0 or 1. • If w is stuck-at-0, it is denoted w/0. • If w is stuck-at-1, it is denoted w/1. • While this model does not work for all types of faults, works reasonably well.

  5. Single and Multiple Faults • Dealing with multiple faults is difficult. • Considering single faults only still detects majority of multiple faults. • Fault detected when output value of faulty circuit differs from good circuit for a test. • Complete set of test is called a test set.

  6. CMOS Circuits • Transistors may be permanently open or shorted (closed). • May or may not appear as a stuck-at fault. • May also cause permanent path between Vdd and Gnd giving intermediate voltage. • May also lead to combinational circuit to behave like a sequential one. • Will restrict ourselves to stuck-at model.

  7. Complexity of a Test Set • Sequential circuits substantially more complex to test than combinational ones. • In combinational case, we can apply all possible input valuations and check outputs. • This approach is impractical and unnecessary for large circuits.

  8. a w 1 f b w 2 w d 3 c (a) Circuit Fault detected Test w w w a/0 a/1 b/0 b/1 c/0 c/1 d/0 d/1 f /0 f /1 1 2 3 000    001     010     011     100   101   110   111  (b) Faults detected by the various input valuations Figure 11.1 Fault detection in a simple circuit

  9. a w b 1 w = 1 2 c w = 0 3 f w = 1 4 Figure 11.2 A sensitized path

  10. w c 1 w 2 b d f w 3 w 4 Figure 11.3 Circuit for Example 11.1

  11. f f f h k fault fault 0 1 ¤ ¤ b g Figure 11.4Detection of faults (a) Circuit g (b) Detection of (c) Detection of b c 1 2 3 4 1 2 3 4 1 2 3 4 w w w w w w w w w w w w

  12. w 1 w 3 w 4 w 2 w f 3 w 4 w 1 w 2 w 3 Figure 11.5 Circuit with a tree structure

  13. Product term Test No. w w w w w w w w w w w w w 1 3 4 2 3 4 1 2 3 1 2 3 4 1 1 1 1 0 1 0 0 0 0 1 0 0 0 Stuck-at-0 2 0 1 0 1 1 1 1 1 0 0 1 0 1 tests 3 0 0 0 1 0 1 1 1 1 0 1 1 1 4 0 1 1 1 1 0 1 1 0 0 1 0 0 5 1 0 1 1 0 0 0 1 1 1 1 1 0 Stuck-at-1 6 1 1 0 0 1 1 0 0 0 1 0 0 1 tests 7 1 0 0 1 0 1 0 1 1 1 1 1 1 8 0 0 0 0 0 1 1 0 1 0 0 1 1 Figure 11.6 Derivation of tests for the circuit in Figure 11.5

  14. f w w f f f f f f f f f f f f f f f 11 1 2 0 1 2 3 4 5 6 7 8 9 10 12 13 14 15 00 0 0 0 0 0 0 0 0 1 1 1 1 1 1 1 1 01 0 0 0 0 1 1 1 1 0 0 0 0 1 1 1 1 10 0 0 1 1 0 0 1 1 0 0 1 1 0 0 1 1 11 0 1 0 1 0 1 0 1 0 1 0 1 0 1 0 1 Figure 11.7 All two-variable functions

  15. h b w d 1 f w 2 c k Figure 11.8 The XOR circuit

  16. Fault Circuit implements b/0 f = w 5 2 b/1 f = w 10 2 c/0 f = w 3 1 c/1 f = w 12 1 d/0 f = 0 0 d/1 f = w + w 7 1 2 h/0 f = 1 15 h/1 f = w w 4 1 2 k/0 f = 1 15 k/1 f = w w 2 1 2 Figure 11.9 The effect of various faults

  17. Percent faults detected Number of tests Figure 11.10 Effectiveness of random testing

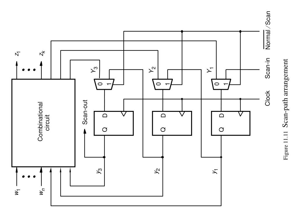
  18. Testing Sequential Circuits • Response of sequential circuit is dependent on both current input and present state. • Could check all state transitions. • Cannot determine state, not observable. • Circuits must be designed to be testable.

  19. w z 1 1 Combinational w z n k circuit Scan-out Y 3 y 0 3 Q D 1 Y 2 y 0 2 Q D 1 Y 1 y 1 0 Q D 1 Clock Scan-in ¤ Normal Scan Figure 11.11Scan-path arrangement

  20. Y 1 w Y 2 z Scan-out 0 Q D 1 y 2 Q 0 Q D 1 y 1 Q Scan-in Resetn Clock Normal/Scan Figure 11.12Circuit for Example 11.3

  21. p x 0 0 Test Circuit Test vector under result generator test compressor x p n – 1 m – 1 Signature Figure 11.13 The testing arrangement

  22. f Q Q Q Q D D D D Q Q Q Q Clock x x x x 3 2 1 0 PRBS (a) Circuit x ··· 1 1 1 1 0 1 0 1 1 0 0 1 0 0 0 1 3 x ··· 0 1 1 1 1 0 1 0 1 1 0 0 1 0 0 0 2 x ··· 0 0 1 1 1 1 0 1 0 1 1 0 0 1 0 0 1 x ··· 0 0 0 1 1 1 1 0 1 0 1 1 0 0 1 0 0 f ··· 1 1 1 0 1 0 1 1 0 0 1 0 0 0 1 1 (b) Generated sequence Figure 11.14 Pseudorandom binary sequence generator (PSRG)

  23. Signature Q Q Q Q D D D D p Q Q Q Q Clock Figure 11.15 Single-input compressor circuit

  24. Signature Q Q Q Q D D D D Q Q Q Q Clock p p p p 3 2 1 0 Figure 11.16 Multiple-input compressor circuit (MIC)

  25. Z-signature ¤ Normal Test MIC Z 0 W Combinational 1 X circuit y Y PRBSG-X Scan-out SIC Y-signature Flip-flops and multiplexers Scan-in PRBSG-y Figure 11.17 BIST in a sequential circuit

  26. t u o S 0 q Q Q D 0 p 1 q Q Q D 1 p 2 q Q Q D 2 p 3 q Q Q D 3 p S ¤ 1 0 G 1 2 M M Clock n i S Figure 11.18 A four-bit built-in logic block observer (BILBO)

  27. Scan-out Combinational Combinational BILBO2 network BILBO1 network CN1 CN2 Scan-in Figure 11.19 Using BILBO circuits for testing

  28. Boundary Scan • Chips soldered into printed circuit boards do not allow easy access it inputs/outputs. • Pins can be configured into a shift register to allow inputs and outputs to be scanned in. • Now IEEE Standard 1149.1.

  29. Printed Circuit Boards • Need CAD software to design them. • Crosstalk – capacitively coupled wires. • Avoid long parallel wires. • Power supply noise – power supply spikes. • Use bypass capacitors between Vdd and Gnd. • Transmission-line effects • Use termination component on the line.

  30. Testing of PCBs • Power Up – check for hot chips and correct power and ground voltages. • Reset – put circuit into known start state. • Low-level functional testing – use divide-and-conquer approach.

  31. Testing of PCBs • Full functional testing – test system. • Manufacturing errors. • Incorrect specifications. • Misinterpretation of the data sheets. • Wrong data sheets. • Timing – start with slow clock and gradually increase to desired frequency. • Reliability – affected by timing, noise, crosstalk issues, and environment.

  32. Instrumentation • Oscilloscope – displays voltage waveforms to show problems with delay and noise. • Logic analyzer – allows examination of large groups of signals.

  33. Where to go from here . . . • CS/EE 3710 – Computer Design Laboratory • CS/EE 3720 – Analog and Digital Interfacing • CS/EE 3810 – Computer Architecture • CS/EE 4710 – Senior Project • CS/EE 5710 – Digital IC Design • CS/EE 5720 – Analog IC Design • CS/EE 5740 – CAD for Digital Circuits • CS/EE 5750 – Asynchronous Circuit Design • CS/EE 5810 – Advanced Computer Architecture • CS/EE 5830 – VLSI Architecture

  34. New to the CE Program • Tracks are no longer required. • Still must take 15 credits of CS/EE classes. • New senior thesis option: • Must take EE 3900 Junior seminar in Fall and prethesis in Spring (0.5 credits each). • Senior year must take one year of senior thesis for a total of 4 credits. • Do not need to take CS/EE 4710. • Can lead into a joint BS/EE degree.

More Related